起订:1
供应:100
发货:2天内
深圳市贝福科技有限公司
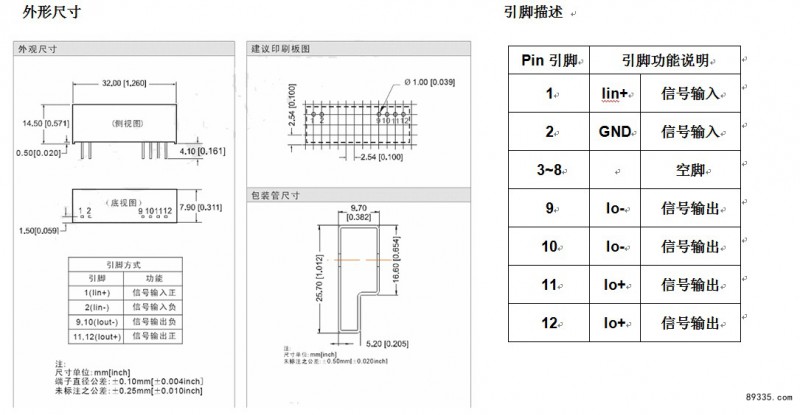
RS232/RS485信号转模拟信号 隔离D/A转换器 产品特点: ● 低成本、小体积模块化设计 ● RS-485/232接口,隔离转换成标准模拟信号输出 ● 模拟信号输出精度优于 0.2% ● 可以程控校准模块输出精度 ● 信号输出 / 通讯接口之间隔离耐压3000VDC ● 宽电源供电范围:8 ~ 32VDC ● 可靠性高,编程方便,易于安装和布线 ● 用户可编程设置模块地址、波特率等 ● 可设置成主机来读取产品数据实现远程采集 ● 支持Modbus RTU 通讯协议 典型应用: ● 标准模拟信号输出 ● 智能楼宇控制、安防工程等应用系统 ● RS-232/485总线工业自动化控制系统 ● 工业现场控制信号隔离及长线传输 ● 设备运行调试与控制 ● 传感器信号的远程传输及信号还原 ● 工业现场执行器数据给定 ● 医疗、工控产品开发 ● 4-20mA信号输出 图1 IBF-232/485 模块外观图 产品概述: IBF-232/485系列产品实现主机RS-485/232接口信号隔离转换成标准模拟信号,用以控制远程设备。IBF-232/485系列产品可应用在 RS-232/RS-485总线工业自动化控制系统,4-20mA,0-5V,0-10V等标准信号输出,用来控制工业现场的执行设备,控制设备以及显示仪表等等。 产品包括电源隔离,信号隔离、线性化,D/A转换和RS-485串行通信。每个串口较多可接256只IBF-232/485系列模块,通讯方式采用ASCII码通讯协议或MODBUS RTU通讯协议,其指令集兼容于ADAM模块,波特率可由代码设置,能与其他厂家的控制模块挂在同一RS-485总线上,便于计算机编程。 IBF-232/485系列产品是基于单片机的智能监测和控制系统,所有的用户设定的校准值,地址,波特率,数据格式,校验和状态等配置信息都储存在非易失性存储器EEPROM里。 IBF-232/485系列产品按工业标准设计、制造,信号输出 / 通讯接口之间隔离,可承受3000VDC隔离电压,抗干扰能力强,可靠性高。工作温度范围- 45℃~+80℃。 图1 IBF-232/485 产品原理框图 IBF-232/485功能简介: IBF-232/485 信号隔离D/A转换模块,可以用来输出一路电压或电流信号,也可以用来输出两路可以共地的电流或电压信号。 1、 模拟信号输出 12位输出精度,产品出厂前所有信号输出范围已全部校准。在使用时,用户也可以很方便的自行编程校准。 具体电流或电压输出量程请看产品选型,输出两路信号时两路输出选型必须相同。 2、 通讯协议 通讯接口: 1路标准的RS-485通讯接口或1路标准的RS-232通讯接口,订货选型时注明。 通讯协议:支持两种协议,命令集定义的字符协议和MODBUS RTU通讯协议。可通过编程设定使用那种通讯协议,能实现与多种**的PLC、RTU或计算机监控系统进行网络通讯。 数据格式:10位。1位起始位,8位数据位,1位停止位。 通讯地址(0~255)和波特率(2400、4800、9600、19200、38400bps)均可设定;通讯网络较长距离可达1200米,通过双绞屏蔽电缆连接。 通讯接口高抗干扰设计,±15KV ESD保护,通信响应时间小于100mS。 3、 抗干扰 可根据需要设置校验和。模块内部有瞬态抑制二*管,可以有效抑制各种浪涌脉冲,保护模块,内部的数字滤波,也可以很好的抑制来自电网的工频干扰。 产品选型: IBF - □ - □ 通讯接口 输出电压或电流信号值 485: 输出为RS-485接口 U1:0-5V A1:0-1mA 232: 输出为RS-232接口 U2:0-10V A2:0-10mA U3:0-75mV A3:0-20mA U4:0-2.5V A4:4-20mA U5:0-±5V A5:0-±1mA U6:0-±10V A6:0-±10mA U7:0-±100mV A7:0-±20mA U8:用户自定义 A8:用户自定义 选型举例1: 型号:IBF-485-A4 表示RS-485接口,4-20mA信号输出 选型举例2: 型号:IBF-232-U1 表示RS-232接口,0-5V信号输出 IBF-232/485通用参数: (typical @ +25℃,Vs为24VDC) 输出类型: 电流输出 / 电压输出 精 度: 0.2% 输出失调: 电流输出 ±0.5 uA/℃ ,电压输出 ±0.1 mV/℃ 温度漂移: ±20 ppm/℃ (±30 ppm/℃, 较大) 输出带载能力:电流输出 350Ω (4-20mA/0-20mA/0-±20mA电流输出) 电压输出 10mA(0-5V/0-10V/0-±5V电压输出) 通 讯: 协议 RS-485 或 RS-232 标准字符协议 和 MODBUS RTU通讯协议 波特率(2400、4800、9600、19200、38400bps)可软件选择 地址(0~255)可软件选择 通讯响应时间:100 ms 较大 工作电源: +8 ~ 32VDC宽供电范围,内部有防反接和过压保护电路 功率消耗: 小于1.5W 工作温度: - 45 ~ +80℃ 工作湿度: 10 ~ 90% (无凝露) 存储温度: - 45 ~ +80℃ 存储湿度: 10 ~ 95% (无凝露)
状态:离线 发送信件 在线交谈
姓名:张先生(销售)电话:0755-83119(先生)
电话:0755-83119189
手机:15889353392
地区:广东
地址:广东深圳福田区深圳市福田区凯丰大厦
邮件:beifu123@zgny.com
QQ:346655709
